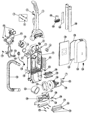
Piezas comunes de la aspiradora Cirrus que podrían necesitar ser reemplazadas 0
Cirrus es una de las marcas más reconocidas y confiables por ofrecer aspiradoras de alta eficiencia diseñadas tanto para fines de limpieza residencial como comercial. El diseño robusto y la eficiencia energética que ofrecen estas aspiradoras las convierten en una excelente opción para quienes buscan una limpieza integral a un precio asequible. Sin embargo, como la mayoría de las otras máquinas, estas aspiradoras pueden enfrentar...

