Choose The Best Vacuum Cleaners According To The Type Of Filters They Come Equipped With 0
HEPA Filters : As mentioned before, HEPA filters are the most popular types of filters used in the high cleaners of a almost all top brands. The term HEPA is an acronym for High Efficiency Particulate Air and vacuums fitted with them are capable of removing 99.9% airborne particles that are 0.3 microns or more in size. The high efficiency of these filters in ensuring better cleaning and hygiene makes them a preferred choice for devices designed to be used around people prone to allergies and other such health issues. However, these filters prove most effective only with vacuums that are completely sealed. They are extensively used as integral Royal, Dyson and Shark vacuum cleaner parts to provide the best cleaning efficiency to users along with ensuring maximum hygiene within their environments.
Royal Vacuum Cleaners – A Brand Committed Towards Maximum Customer Satisfaction 0
Just like the filters, the Royal vacuum bags are designed for flawless performance in terms of keeping the accumulated dirt and dirt trapped within the device. These bags, like all other components are made from high quality fibrous materials so that they do not easily tear off due to the sheer force with which the dirt and dust is pushed into them by the device. Since the bags need to be replaced regularly, the users can opt to buy Royal vacuum bags available in multiple packing so as to save both time and money.
Miele Vacuum Bags-The Quality Product Desired By Those Who Seek Excellence 0
Vacuum Cleaner Parts Change Regularly For Ultimate Cleaning 0
Washing appliances like any other application in the house are used based upon on a certain increasing need. That is why it is usually said that no one vacuum has the ability to meet all the needs coming up within the homestead. Everyone in this world is unique and so are their conditions which then […]
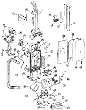
Understanding The Functionality Of Royal Vacuum Parts For The Right Buying Decision 0
One of the most important aspects of maintaining the cleaners is the replacement of certain parts and accessories. However, for most cleaners, with the exception of drive belts and bags, almost all parts and accessories are compatible with only the specific model and brand that they are designed for. That is why it is important for the users to choose the Royal vacuum parts or the parts of any other branded vacuums with utmost care.





